
| 产品品牌 | 日安阀门 |
| 产品型号 | QJ941M |
| 产品口径 | DN50-DN300 |
| 驱动方式 | 电动 |
| 主体材质 | WCB,CF8,CF8M |
| 连接形式 | 法兰连接 |
| 适用介质 | 水、油品、蒸汽、酸性介质等 |
| 执行标准 | GB/T 12234,GB/T 12221,GB/T 9131等 |
| 产品价格 | 厂家直销,详情电询023-68061086 |
电动高温球阀中的球体密封圈采用了特殊的加工工艺和最新密封材料,使球体表面粗糙度和圆度达到标准要求,从而提高了密封性能和使用寿命、耐高温的能力。顺时板动手柄带动阀杆驱动球体旋转,使介质顺利通过。
1、高分子复合材料的密封圈材料,具有耐高温,耐高压,耐磨之性能;
2、阀体内通道平整光滑,畅通无阻地输送粘性流体,浆液以及固体颗粒等介质;
3、适用工作温度350度左右,是导热油专用阀门,广泛应用于石油,化工,制药电力,食品等行业。
| 型号 | 公称压力 | 强度试验压力 | 密封试验压 | 适用温度 | 适用介质 |
| (MPa) | (MPa) | (MPa) | (℃) | ||
| QJ941M/F-16C/P | 1.6 | 2.4 | 1.8 | -28~+600 (M/F) | 导热油、水、蒸汽、气体、油品、酸类腐蚀性介质、醋酸类腐蚀性介质 |
| QJ941M/F-16C/P | 2.5 | 3.8 | 2.8 | -28~+600 (PPL) |
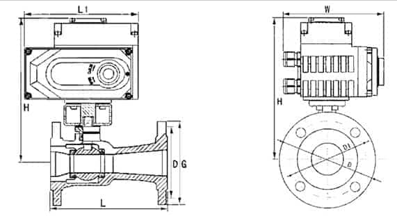
| 型号 | 规格 | 尺寸 | ||||||
| L | D | D 1 | D 2 | z-φd | H | b | ||
| QJ941M/F-16 | 15 | 130 | 95 | 65 | 45 | 4-14 | 85 | 14 |
| 20 | 150 | 105 | 75 | 55 | 4-14 | 95 | 16 | |
| 25 | 160 | 115 | 85 | 65 | 4-14 | 103 | 16 | |
| 32 | 180 | 135 | 100 | 78 | 4-18 | 105 | 18 | |
| 40 | 200 | 145 | 110 | 85 | 4-18 | 120 | 18 | |
| 50 | 230 | 160 | 125 | 100 | 4-18 | 195 | 20 | |
| 65 | 290 | 180 | 145 | 120 | 4-18 | 195 | 20 | |
| 80 | 310 | 195 | 160 | 135 | 8-18 | 215 | 22 | |
| 100 | 350 | 215 | 180 | 155 | 8-18 | 253 | 24 | |

1、取掉球阀法兰端两边的保护盖,在阀完全打开的状态下进行冲洗清洁。
2、准备与管道连接前,须冲洗和清除干净管道中残存的杂质(这些物质可能会损坏阀座和球)。
3、在安装期间,请不要用阀的执行机构部分作为起重的吊装点,以避免损坏执行机构及附件。
4、本电动高温球阀应安装在管道的水平方向或垂直方向。
5、安装点附近的管道不可有低垂或者承受外力的现象,可以用管道支架或者支撑物来消除管线的偏离。
6、电动高温球阀与管道连接后,请用规定的扭矩交叉锁紧法兰连接螺栓。
电动高温球阀是导热油专用阀门,广泛应用于石油,化工,制药电力,食品等行业。