
| 产品品牌 | 日安阀门 |
| 产品型号 | GFQ |
| 产品口径 | DN25-DN300 |
| 驱动方式 | 手动 |
| 主体材质 | 不锈钢304、不锈钢316 |
| 连接形式 | 法兰连接 |
| 适用介质 | 甲、乙类储罐 |
| 执行标准 | GB/T 12234,GB/T 12221,GB/T 9131等 |
| 产品价格 | 厂家直销,详情电询023-68061086 |
不锈钢呼吸阀是维持储罐气压平衡,确保储罐或者反应釜在超压或真空时兔遭破坏,减少罐内介质的挥发和损耗的安全节能产品。当储罐或者反应釜内压力增大到设定值时,阀盘自动开启。全天侯阻火单呼阀适用于储存有机溶剂的储罐,只能呼出气体,不能吸入气体,保证了罐内介质不与罐外空气接触。
1.不锈钢单呼阀能对石油储罐内外压力进行自动调节的特点。
2.耐低温防冻通性合格:在-42度操作2小时,压力阀盘,真空阀盘和密封均无变形现象,完全符合标准要求。
3.不锈钢单呼阀在常温36度连续操作72小时,动作10000次,压力阀盘,真空阀盘和导杆接触面无任何磨损和碰伤迹象,导杆升降灵敏无卡死现象。
| A级正压 | 355Pa (36毫米水柱) |
| 负压 | 295Pa (30毫米水柱) |
| B级正压 | 980Pa (100毫米水柱) |
| 负压 | 295Pa (30毫米水柱) |
| C级正压 | 1765Pa (180毫米水柱) |
| 负压 | 295Pa (30毫米水柱) |
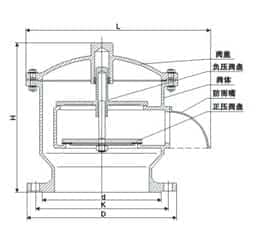
| 公称通径 | 安装尺寸(mm) | ||||
| (mm) | D | K | L | H | n×φ |
| DN25 | 115 | 85 | 160 | 165 | 4×14 |
| DN32 | 135 | 100 | 180 | 185 | 4×18 |
| DN40 | 145 | 110 | 190 | 190 | 4×18 |
| DN50 | 160 | 125 | 220 | 220 | 4×18 |
| DN80 | 195 | 160 | 270 | 260 | 8×18 |
| DN100 | 215 | 180 | 310 | 280 | 8×18 |
| DN150 | 280 | 240 | 380 | 330 | 8×22 |
| DN200 | 335 | 295 | 450 | 380 | 12×22 |
| DN250 | 395 | 350 | 520 | 420 | 12×22 |
| DN400 | 565 | 515 | 670 | 520 | 16×26 |

1、应垂直安装在储罐气源的最高点,以降低物料蒸发损耗和以便顺利地提供通向呼吸阀最直接和最大的通道;
2、对于立式罐,该阀应尽量安装在罐顶中央顶板范围内,对于罐顶需设隔热层的储罐、可安装在梯子平台附近;
3、当需要安装两个呼吸阀时,它们与罐顶中心应对称布置;
4、若呼吸阀用在氮封罐上,则氮气供气管的接管位置应远离该阀接口,并由罐顶部插入储罐内约200mm,这样氮气进罐后不直接排出,达到氮封的目的。
不锈钢呼吸阀广泛适用于储存闪点低于28。C甲类油品和闪点低于60。C的乙类油品,如汽油、苯、甲笨、煤油、轻柴油、原油、航空油、食品油等油品及性质相同的化工产品储罐。